|
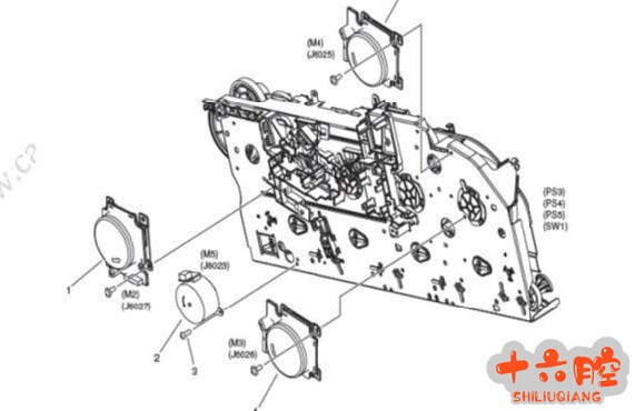
iR-ADV C2020 iR-ADV C2025 iR-ADV C2030 iR-ADV C2220 iR-ADV C2225 iR-ADV C2230 [故障描述] 提示错误代码E070-0000。 [故障原因] 黑色感光鼓驱动马达故障。
[维修措施] 更换黑色感光鼓驱动马达。 |
相关文章
柯美C14000,C7100,C4080快速阅读指南
柯美C14000,C7100,C4080快速阅读指南1. 关于快速指南为各产品提供的快速指南,以易于理解的方式概述了使用本系统所需的信息。在使用本系统之前,请阅...
维修案例 快回来 99
三星MX3050,3060,3070,3550如何初始化管理员密码和服务密码
本说明介绍了如何初始化管理员密码和服务密码MX3050/3060/3070/3550/3560/3570/4050/4060/4070N 系列默认。请注意,一旦...
维修案例 访客 83
惠普Laser NS MFP 1005/NS 1020打印内容间歇性上移的问题
问题描述:– 用户的NS MFP1005/NS 1020使用一段时间后,连续打印的时候,会出现打印内容间歇性上移的问题,如下图所示问题原因:– 使用一段时间后,...
维修案例 访客 79
惠普鼓粉分离的消费黑白激光打印机59.C0错误或开机自检齿轮组有巨大噪声
涉及型号:M104/M132/M203/M227系列故障现象:– 开机自检时右侧齿轮组有非常大的连续的齿轮打齿的声音,随后面板提示59.C0或就绪+警告灯常亮故...
维修案例 访客 88
关于惠普M128FP加热组件卡纸,打印变形拉长解决方法
故障:HP Laserjet Pro MFP m128FP 打印卡纸,纸张卡在加热组件里,打印的字体和图案有拉伸拉长变形故障分析:1. 工程师对机器行了简单的测...
维修案例 访客 85
惠普M1005打印机不停进纸快速解决方案
适合产品:M1005,M1020故障描述:打印机不停进纸客户送修一台M1005打印机开机不停进纸情况,一般出现此情况大多都是跟继电器(离合器)有关。如图1:红色...
维修案例 访客 82
惠普CP1025 无法连接WLAN 无法安装无线网络
故障现象:CP1025NW无法安装WIFI打印机故障分析:客户反映机器一直无法安装无线打印功能。每次都提示输入密码。之前并没有设置密码。上门检测首先用USB线连...
维修案例 访客 87
惠普激光打印机(尤其是多功能一体机)出纸口有水汽凝结的说明
惠普激光打印机(尤其是多功能一体机)出纸口有水汽凝结的说明[*]水汽和打印机无关,打印机自身不会产生水蒸气[*]水汽是因为打印的纸张潮湿,在加热过程中被蒸发出来...
维修案例 访客 78
留言评论取消回复
